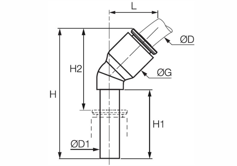
Złączka kątowa 45° Liquifit Parker Legris 6380
Tomasz Urysz | Kierownik działu | Pozycjonery, napędy AT
Email: t.urysz@arapneumatik.pl
Tel: +48 71 364 72 85
Kom: +48 691 112 333


Tomasz Urysz | Kierownik działu | Pozycjonery, napędy AT
Kierownik działu armatury przemysłowej


Tomasz Urysz | Kierownik działu | Pozycjonery, napędy AT
Kierownik działu armatury przemysłowej