• Kod:10/11/12 -- SFAM, SFAW
  • Producent:Parker Rectus
  • Seria:-- SFAM, SFAW
Informacje o produkcie:

Profil europejski 10/11/12
Medium: chłodzące w przetwórstwie tworzyw sztucznych

Materiał: mosiądz, stal, FKM
Temperatura pracy: -15 ÷ +200°C | 15 bar

 

Węże przemysłowe do szybkozłączy >>

Dane techniczne

Wtyk szybkozłącza - złączka Rectus do form wtryskowych serii 10, 11, 12 SFAM, SFAW - profil europejski

 

  • dedykowane do instalacji mediów chłodzących w formach wtryskowych PTS
  • możliwość łączenia i rozłączania instalacji
  • kątowe przyłącza zabezpieczają przed załamywaniem przewodów instalacji (i zmiejszeniem przepływu medium)
  • zagłębienie wtyczki złącza w formie wtryskowej eliminuje jej uszkodzenie w trakcie montażu/demontażu formy

 

Podstawowe parametry techniczne:

  • profil: europejski
  • medium: chłodzące w przetwórstwie tworzyw sztucznych
  • ciśnienie robocze: 15 bar
    (maksymalne statyczne ciśnienie robocze przy uwzględnieniu współczynnika bezpieczeństwa 4:1)
  • zakres temperatur pracy: -15°C ÷ +200°C
  • uszczelnienie: FKM
  • materiały: mosiądz  / stal AISI 303

Jak zamawiać

 

Kontakt z inżynierem sprzedaży

KLINGER filia Wrocław

thumbnail

53-012 Wrocław, ul. Wyścigowa 38

thumbnail

Cezary Walczak | Key Account Manager

Email: c.walczak@arapneumatik.pl

Tel: +48 607 387 687

thumbnail

Jakub Rozmus | Doradca techniczno-handlowy

Email: j.rozmus@arapneumatik.pl

Tel: +48 722 077 660

thumbnail

Daniel Stolarski | Doradca techniczno-handlowy

Email: d.stolarski@arapneumatik.pl

Tel: +48 667 347 247

thumbnail

Maciej Picher | Key Account Manager

Email: m.picher@arapneumatik.pl

Tel: +48 691 556 653

thumbnail

Małgorzata Kocełuch | Sprzedawca techniczny Parker Store

Email: g.koceluch@arapneumatik.pl

Tel: +48 725 025 330

thumbnail

Piotr Nisowski | Manager działu Pneumatyki, Elektromechaniki

Email: p.nisowski@klinger.pl

Tel: +48 607 847 647

Produkty dostępne w sklepie internetowym

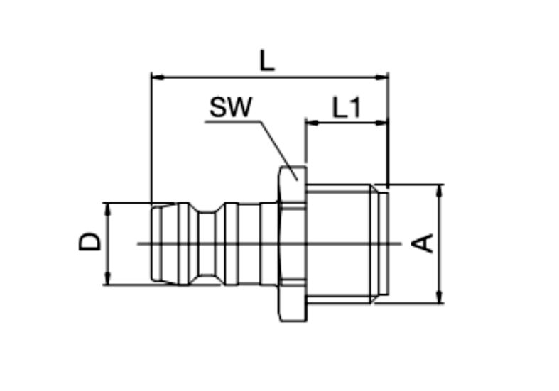
Lp. Kod produktu DN A HEX SW mm L mm D mm L1 mm Wersja Zawór Dostępność Koszyk
1

10SFAM08MXX

6 M8x0,75 11 24 9 7 mosiądz nie
2

10SFAM10MXX

6 M10x1 11 24 9 7 mosiądz nie
3

10SFAM10RXX

6 M10x1 11 24 9 7 stal AISI303 nie
4

10SFAW10MXN

6 G1/8 11 24 9 7 mosiądz nikl. nie
5

10SFAM12MXX

6 M12x1,5 14 27 9 10 mosiądz nie
6

10SBAW13MVN

6 G1/4 15 29 9 12 mosiądz nikl. tak
7

10SFAW13MXN

6 G1/4 15 26 9 9 mosiądz nikl. nie
8

10SFAW13RXX

6 G1/4 15 26 9 9 stal AISI303 nie
9

10SBAM14MVX

6 M14x1,5 15 29 9 12 mosiądz tak
10

10SFAM14MXX

6 M14x1,5 15 26 9 9 mosiądz nie
11

10SFAW17MXN

6 G3/8 17 30 9 10 mosiądz nikl. nie
12

11SFAW10MXN

6 G1/8 14 25 13,5 8 mosiądz nikl. nie
13

11SBAW13MVN

6 G1/4 15 31 13,5 12 mosiądz nikl. tak
14

11SFAW13MXN

6 G1/4 15 26 13,5 9 mosiądz nikl. nie
15

11SFAW13RXX

6 G1/4 15 26 13,5 9 stal AISI303 nie
16

11SFAM14MXX

6 M14x1,5 15 26 13,5 9 mosiądz nie
17

11SBAM16MVX

6 M16x1,5 17 30 13,5 12 mosiądz tak
18

11SFAM16MXX

6 M16x1,5 17 26 13,5 9 mosiądz nie
19

11SBAW17MVN

6 G3/8 17 30 13,5 12 mosiądz nikl. tak
20

11SFAW17MXN

6 G3/8 17 26 13,5 9 mosiądz nikl. nie
21

11SFAW17RXX

6 G3/8 17 26 13,5 9 stal AISI303 nie
22

12SFAW21MXN

13 G1/2 22 47 19 12 mosiądz nikl. nie
23

12SBAW26MVN

13 G3/4 27 51 19 16 mosiądz nikl. tak
24

12SFAW26MXN

13 G3/4 27 51 19 16 mosiądz nikl. nie

Produkty powiązane